AI摘要:本文分析了高频电刀设计中的负载切换电路和功率测量电路。负载切换电路使用继电器切换组合负载,并通过分压电路获取输出电压。功率测量电路的核心是宽带四象限乘法器和高速运放组成的均方电路。文章还详细介绍了信号处理流程,包括前端滤波、乘法器输出与滤波调理、运放滤波与放大等。最后,文章通过仿真分析验证了电路设计的正确性。
Powered by AISummary.
高频电刀设计分析
参考1
负载切换电路
根据文章所述,电刀分析仪内部使用继电器切换组合负载,负载范围为10~5200Ω。
采样电路的上端为组合电阻,对地的下端电阻为2.0Ω。通过分压电路获取输出电压。根据设定负载,通过K12、K13继续调整分压值,以防止信号过大。

可变负载电阻 R3~R16 (分别由对应继电器 K2~K10 控制) 与测量电阻 R1 (电阻值为 2Ω) 串联。测量电阻 R1 上的高频电压信号经可变衰减器后输出到功率测量单元。该可变衰减器由 10dB 衰减器 (R20~R22、K12)和 20dB 衰减器 (R26~R30、K13) 组成,串联后可得到共30dB 衰减的测量高频电压信号输出1。
根据K12和K13的挡位切换,可得如下表格的增益。
| 继电器 | K13右档 | K13左档 |
|---|---|---|
| K12右档 | 27.86dB(1/24.7) | 10.1dB(1/3.2) |
| K12左档 | 20.0dB(1/10.1) | 0dB(1) |
功率测量电路

QA-ES功率测量单元的核心为宽带(直流至500MHz)四象限乘法器U15(AD834) 与BiFET高速运放U25(AD711) 组成的均方(Mean Square)电路,需注意该电路并非均方根(Root Mean Square)电路。
其信号处理流程如下:
- 前端滤波
来自可变负载测量电阻的衰减高频电压信号,经5阶无源巴特沃斯低通滤波器(由L1、L2、C5、C6、C7组成,-3dB截止频率约10MHz,测试点为TP1)滤波后,输入至AD834的X、Y输入端,且输入满足 X=Y 的条件。
- 乘法器输出与滤波调理
AD834的核心难点在于其电流模式输出级:为保障最高带宽,输出采用开路集电极的差分电流对形式。
为得到单端接地基准电压输出,AD834的输出先经RC滤波器(由C8、C9、R35、R36组成,-3dB截止频率约16kHz)滤波,该滤波器的时间常数决定了整个均方电路的时间常数,同时对应AD711输出电压信号的幅度;滤波后的信号接入差分运放AD711的输入端。
- 运放滤波与放大
差分运放AD711同时完成两项功能:一是通过RC滤波网络(由R32、C11、R85、C10组成,-3dB截止频率约340Hz)滤波;二是以差分增益Gd=4.7 实现信号放大,对应测试点为TP4。
- 后端增益放大
后续的两个同型号运放U13(AD711)、U14(AD711)均配置为正相放大器,各自提供20dB的放大增益(正相增益G=11),对应测试点分别为TP5、TP6,最终使输出信号具备最优动态范围,适配后续AD转换采集单元的输入要求。
信号处理流程如下图所示。

仿真分析
5阶无源巴特沃斯低通滤波器

仿真使用输入输出负载均为50Ω,得到结果为11.82MHz的-3dB截止频率。
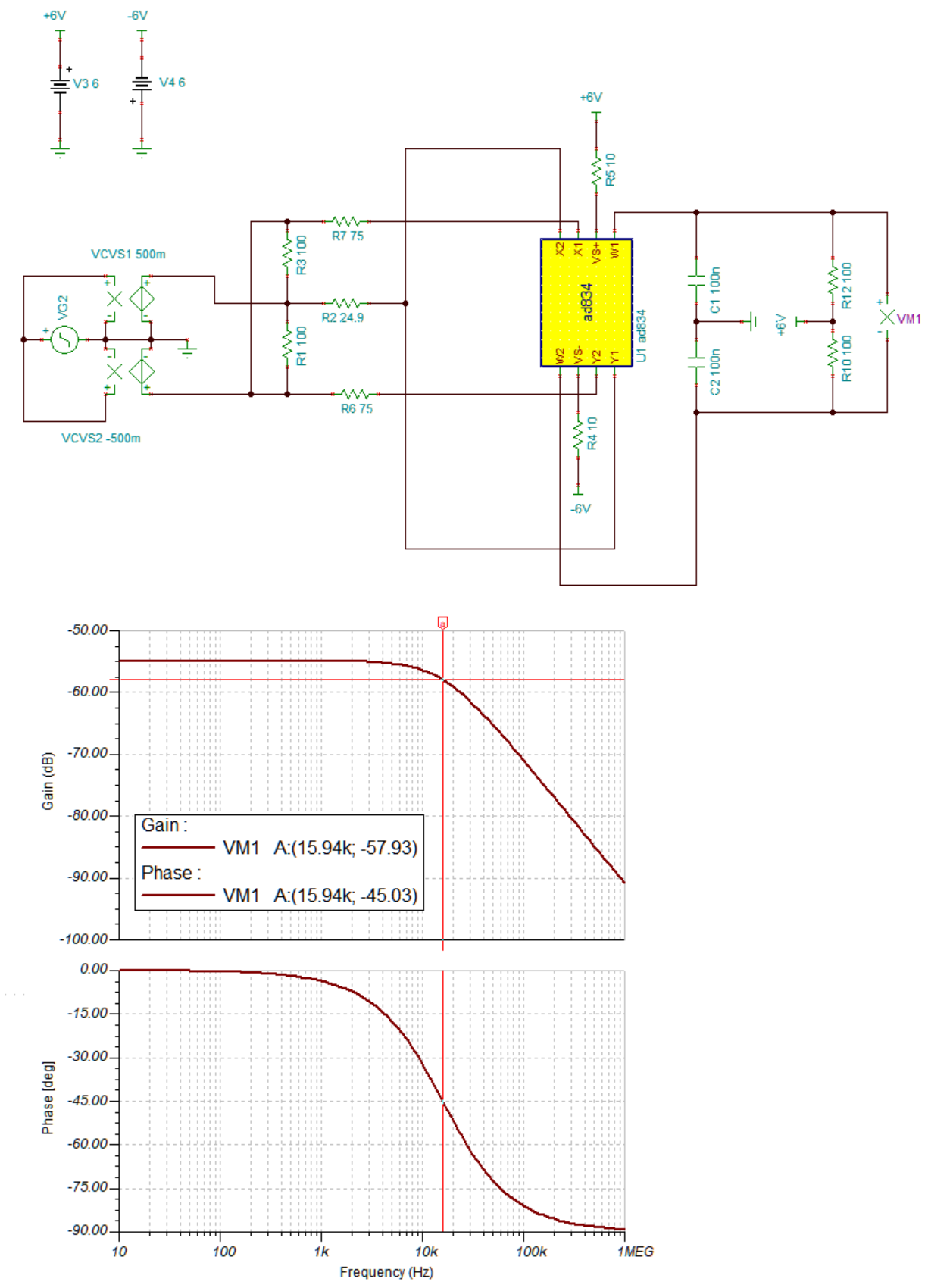
低通滤波

通过100和100nF电容构成低通滤波,fc=15.94kHz。
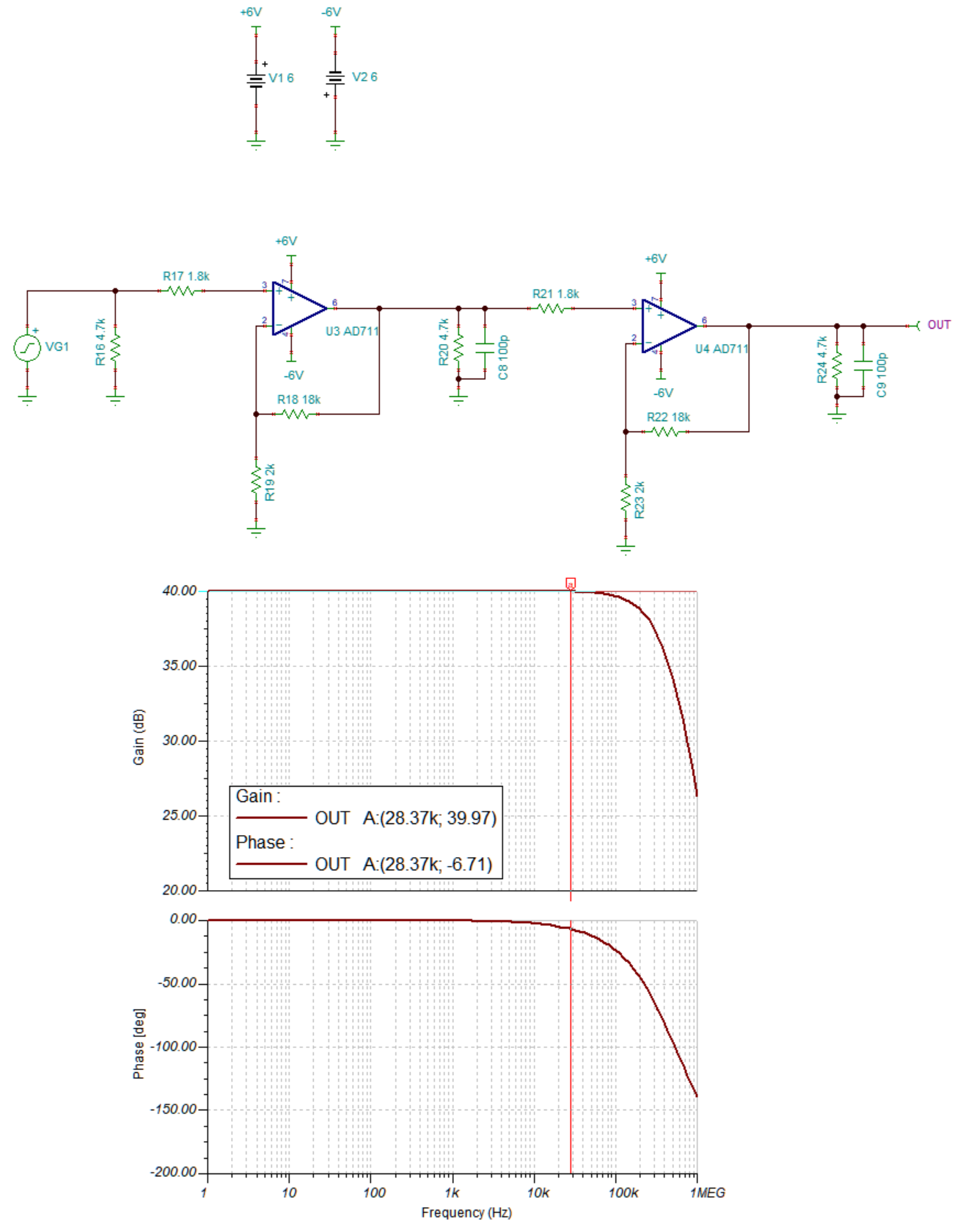
1级放大

通过简单的差分放大,放大倍数为4.7。同时构成低通滤波器,fc=340Hz。
2级放大

通过两级同相放大,每级放大倍数为10,串联后为100倍。由于前级有低通滤波,后级的带宽可以做大,没有GBW的高带宽限制。
通过以上多级放大后,信号放大倍数为470倍。
仿真2

将所有分级电路串联起来仿真,输入信号为1V、1MHz信号。
根据AD834的描述,输出信号为2mA*(100Ω+100Ω)=400mV,如图中VM3,其平均值为400mV。
经过1级放大后为1.88V,经过2级放大后饱和达到4V。
可见对于输入信号,其最大值约为8mV,对应射频功率可能为mW级别。
